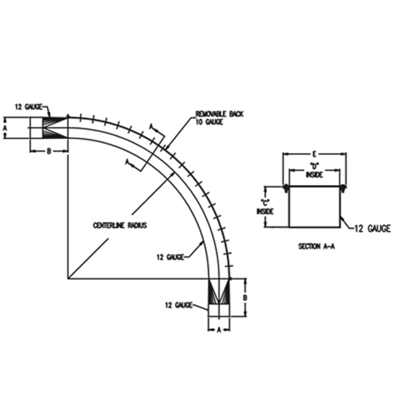
Replaceable Back Elbow

The economical feature of the elbow is in the convenience of replacing the outer radius back, where the most wear occurs, without replacing the entire elbow. This type of elbow is also more economical than a tube bend elbow when the size of the tube or pipe exceeds 10” diameter. The elbows are constructed of 12 gauge carbon steel with a 10 gauge abrasion resistant removable back. They are available in carbon steel or stainless steel construction.

Need a Quote, General Dimension Drawing or a Product Datasheet?